SOLKAV chilling systems
Plug and Play
ICE | ICE RINKS
Chilling system
Chillers including pumps in all sizes
Individual solutions
Green solutions
Connection infrastructure like
Ready for Plug and play
Consisting of:
Glycol (ethylene or polypropylene), with antirust additives
All our glycol has antirust additives to avoid any damage to the Chilling or the Ice field. Ethylene glycol shall be in mix of 30% of the liquid to operate at max. of -14° C glycol out.
Polypropylene glycol needs a mix of 40% for same conditions. In case no special water protection law is in place we recommend the use of ethylene glycol due to better heat transfer rate (25%).
Or just to use a split system, to keep the chilling unit inside and the condensing unit on the roof or outside. Or you are in a hot area. In this case we recommend water tower use to reduce cost of electricity. Water condensing consume water, but you cut down your electricity cost on yearly average by one third! Container solutions for the full equipment keep you flexible in positioning and save inside space.
They are very attractive in pricing, because the system can be assembled in the factory. For Ice halls with heat recuperation, underfloor heating Ice Resurfacer water need, snow belt melting, a container to have all inside and preassembled, is an attractive approach.
Green solution
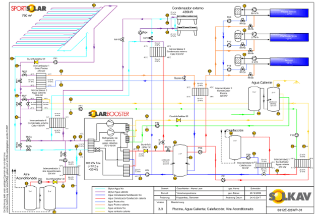
Solkav is also a specialist in heat pump technology to supply heat for swimming pools or other use. And the combination of both: To use the technology in winter (ice use) to operate the ice rink and to use the waste heat for pool or other heating. And in summer to operate the system as air heat pump or in combination with our Sport Solar as solar field with heat pump device (for the night and not sunny days.
























